

Intelligent box substation :
The prefabricated-box substation is one of the most economic, convenient, effective and new distribution equipments. It assembles 12kV(24kV,36kV is available)high-voltage switch cabinet; transformer and low-voltage switch cabinet together, and is movable, assembled in plant.
The prefabricated box substation (Named Box Substation below) has many advantages, such as: completely whole set, small cubage, little area, ingoing load center, improving the power supply quality, reducing the circuit loss, shorten power delivery period, flexible location, adapt to setting, convenient assembly, reliable operation, small investment, rapid effect, and so on. Its widely used in urban republic power distribution, high rise building, residential areas, parks, and high-speed roads, as well as oil fields, industrial and mining enterprises, temporary construction areas. The product accords to the GB/T17467-1998<>, DL/T537-1993<<6-35kv box="" substation="" ordering="" technology="" standards="">>, and other standards.
Function characters:
System voltage:12kV(24kV,36kV is available) rated high voltage current:630A or more;
Collocating 3D transformer, reduce loss, upgrade the capability to 11 grade;
Collocating 3D transformer, upgrade insulation heat-resistant to H grade, can work long time in 180 setting;
Collocating 3D transformer, lessen 1/4-1/5 of the box cubage;
Design and make the ring network or users end as to the users requirements;
Design the box to steel plate configuration, complicated configuration or garden landscape configuration as to the users requirement;
Fix auto-parts, realize Three remote, check the data in distant, thief proof and power fare management;
Completely whole set, intelligent, little area, low investment, short project, ingoing load center, energy-saved and the lower loss, convenient assembly, adapted to setting, and so on.
STANARD:
IEC 1330-1995:high-voltage/low-voltage prefabricated substation
Operation Condition
Operation temperature:-35℃~40℃
Wind velocity:≤35m/sec.
humidity:≤95%/day,≤90%/month
altitude:≤1000m
earthquake:≤8
protection degree:IP33D
Characteristic & Structure Features:
Composed by 3 parts:pad-mounted transformer with HV unit,LV unit
Load switch &fuse insulated integrate in transformer oil tank
HV adopt High-voltage cable plug insulated completely
LVoutlet directly,measurement is available for customer
Excellence steel welding,corrugated radiator,hermetically sealed type of transformer unit has strong corrosion ability,
HV unit compose with oil level indicator,vacuum pressure meter,top oil thermometer,pressure relif value ,drain value,sampling value,measurement and earthing
LV unit composed with measurement and compensation,or customized
Low loss,low noise
Corrosion resistance
Perfect security feature,electricity insulation,air switch,intelligent circuit breaker
Smart appearance
Compact structure
Widely used in various power transformer substation
Main technical parameter

Structure View
HV:1.Manometer; 2.Oil level gauge; 3.Air valve; 4.Oiling plug; 5.Fuse; 6.Thermometer; 7.Load switch operation indicator plate; 8.Load switch; 9.HV cable contactor; 10.Hanging; 11.Tap changer; 12.Earthing&earthing label;13.Dual-purpose valve; 14.HV cable bracket.
LV: 15.Measuring equipment; 16.LV branch; 17.Measurement lead sealing;18.Transformer oil tank.

General
YB() series products is a kind of set of equipment which assembles the MV switch apparatus, transformer, LV distribution equipment together according to fixed connection scheme. This series substation is suitable for neighborhood unit, hotel, large-scale work site and high building that the voltage is 12kV /24kV/36kV/40.5kV, the frequency is 50Hz and the capacity is under 2500kvA.

Service environment
a) Air temperature: Maximum temperature: +40℃; Minimum temperature:-25℃
b) Humidity: Monthly average humidity 95%; Daily average humidity 90% .
c) Altitude above sea level: Maximum installation altitude: 2500m
d) Ambient air not apparently polluted by corrosive and flammable gas, vapor etc.
e) No frequent violent shake
Main technical specifications

Main Designation Characteristics
The crust of the substation is designed according to the foreign advanced technology and physical reality. We provide many kinds of crust material such as aluminum alloy steel composite stainless steel board and non metal material(glass fiber).
The HV side use charge switch or vacuum circuit breaker. The transformer could be oil type hermetically-sealed type and dry type.
The proof of the box is double layers structure and between the layers is filled with foam. There are independent boards in HV and LV room, and in the transformer room will install auto thermal controller heater and cooling equipment.
Note: we offer special customized products according to client’s requirement.

36kV/40.5kV Prefabricated Substation Characteristics
This type substations are the HV side 40.5 kV, LV side 0.4-12 kV and 3 phase outdoor completeequipment .It is wide used in cities , towns ,factories and oil fields, wharfs etc. It is also used insome construction sites. The characteristics are small volume, convenient installation, low cost,high automation safe and reliable operation. Substation is combined with HV switch room,LVswitch room, relay room and transformer room.
Main technical specifications for 36kV/40.5kV Prefabricated Substation

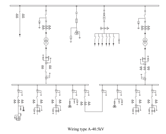
Main Primacy Wiring Circuit Schemas for Substation(40.5kV)




Note: we offer special customized products according to client’s requirement.
This equipments also belong to this Prefabricated substation category with a compact and special function of HV, LV and Transformer are all underground. People can enter into it through a well.
This substation is suitable for installing in square seeded strip and park The clients can choose half-buried type or whole-buried type.

Sketch map of half-buried substation

Sketch diagram of whole-buried substation

Miniaturization Intelligent Prefabricated Substation
This series pre-fabricated substation uses imported SF6 ring switch as its HV incoming and outgoing network realized the power ring system easily. And the substation selects integrated automation system which can realize unattended mode.

Address: NO.308 WEI 17 RD CENTER INDUSTRIAL PARK YUEQING CITY ZHEJIANG CHINA 325600
Tel: 0086-577-62667968
Phone: 0086-13868723687
E-mail:Sales@dist-transformer.com
Scan the code to browse the official website of the mobile phone