



12kV 24kV 36kV Compact substation
Rockwell transformer Co.,Ltd. offer an environmentally responsible, high efficiency, safer choice. The units have high-fire-point fluid, providing fire safety benefits, and a projected life well beyond that of a traditional mineral-oil transformer. These efficient and cost-effective transformers use Envirotemp™ FR3™ fluid. Envirotran transformers are manufactured in 50 - 10,000kVA, in primary voltage classes of 11kV,15 kV, 25 kV and 35 kV.

Three-phase, pad-mounted transformers, for use on underground power distribution systems, are best suited for commercial applications in public access areas and where underground service is required. These transformers meet modern design requirements for flexibility and provide a visually pleasing installation. Construction allows installation in locations accessible to the general public without the need for protective fencing or vaults. These units are ideally suited for apartment buildings, schools, hospitals, shopping centers, commercial buildings, or industrial sites.
Environmental Information
-Sealed tank construction
-Special waste disposal considerations
-Insulation temperature limit: 120 °C
-Temperature rise: 65 °C (standard); 55 °C or 55/65 °C (optional)
Special Design Options
-Special sound requirements
-Special altitude requirements
-Retrofit designs
-Higher efficiency requirements
-Special ambient conditions
Applicable Standards
-IEEE C57.12.00—Standard General Requirements for Liquid-Immersed Distribution, Power, and Regulating Transformers
-IEEE C57.12.34—Requirements for Pad-Mounted, Compartmental-Type, Self-Cooled, Three-Phase Distribution Transformers, 2,500 kVA and Smaller: High Voltage, 34,500 GrdY/ 19,920 V and Below; Low Voltage, 480 V and Below
-IEEE C57.12.28—Standard for Pad-Mounted Equipment—Enclosure Integrity
-IEEE C57.12.70—Standard for Terminal Markings and Connections for Distribution and Power Transformers
-IEEE C57.12.80—Standard Terminology for Power and Distribution Transformers
-IEEE C57.12.90—Standard Test Code for Liquid-Immersed Distribution, Short-Circuit Testing of Distribution and Power Transformers
-IEEE C57.13—Requirements for Instrument Transformers
-ANSI/IEEE 386—Separable Insulated Connector Systems for Power Distribution Systems Above 600 V
-ASTM D877—Test Method for Dielectric Breakdown Voltage of Insulating Liquids Using Disk Electrodes
-NEMA AB1—Molded Case Circuit Breakers
-NEMA TR1—Transformers, Regulators, and Reactors
Main Designation Characteristics
The crust of the substation is designed according to the foreign advanced technology and physical reality. We provide many kinds of crust material such as aluminum alloy steel composite stainless steel board and non metal material(glass fiber).
The HV side use charge switch or vacuum circuit breaker. The transformer could be oil type hermetically-sealed type and dry type.
The proof of the box is double layers structure and between the layers is filled with foam. There are independent boards in HV and LV room, and in the transformer room will install auto thermal controller heater and cooling equipment.
Note: we offer special customized products according to client’s requirement.
General
YB() series products is a kind of set of equipment which assembles the MV switch apparatus, transformer, LV distribution equipment together according to fixed connection scheme. This series substation is suitable for neighborhood unit, hotel, large-scale work site and high building that the voltage is 12kV /24kV/36kV/40.5kV, the frequency is 50Hz and the capacity is under 2500kvA.

Service environment
a) Air temperature: Maximum temperature: +40℃; Minimum temperature:-25℃
b) Humidity: Monthly average humidity 95%; Daily average humidity 90% .
c) Altitude above sea level: Maximum installation altitude: 2500m
d) Ambient air not apparently polluted by corrosive and flammable gas, vapor etc.
e) No frequent violent shake
Main technical specifications

Main Designation Characteristics
The crust of the substation is designed according to the foreign advanced technology and physical reality. We provide many kinds of crust material such as aluminum alloy steel composite stainless steel board and non metal material(glass fiber).
The HV side use charge switch or vacuum circuit breaker. The transformer could be oil type hermetically-sealed type and dry type.
The proof of the box is double layers structure and between the layers is filled with foam. There are independent boards in HV and LV room, and in the transformer room will install auto thermal controller heater and cooling equipment.
Note: we offer special customized products according to client’s requirement.

36kV/40.5kV Prefabricated Substation Characteristics
This type substations are the HV side 40.5 kV, LV side 0.4-12 kV and 3 phase outdoor completeequipment .It is wide used in cities , towns ,factories and oil fields, wharfs etc. It is also used insome construction sites. The characteristics are small volume, convenient installation, low cost,high automation safe and reliable operation. Substation is combined with HV switch room,LVswitch room, relay room and transformer room.
Main technical specifications for 36kV/40.5kV Prefabricated Substation

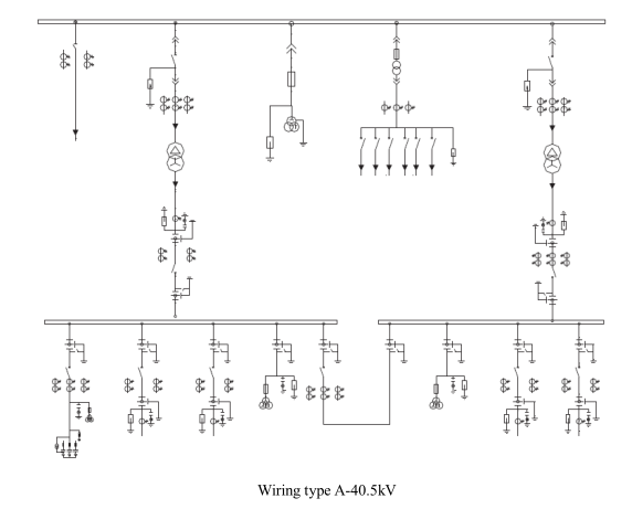
Main Primacy Wiring Circuit Schemas for Substation(40.5kV)




Note: we offer special customized products according to client’s requirement.
This equipments also belong to this Prefabricated substation category with a compact and special function of HV, LV and Transformer are all underground. People can enter into it through a well.
This substation is suitable for installing in square seeded strip and park The clients can choose half-buried type or whole-buried type.

Sketch map of half-buried substation

Sketch diagram of whole-buried substation

Miniaturization Intelligent Prefabricated Substation
This series pre-fabricated substation uses imported SF6 ring switch as its HV incoming and outgoing network realized the power ring system easily. And the substation selects integrated automation system which can realize unattended mode.

Address: NO.308 WEI 17 RD CENTER INDUSTRIAL PARK YUEQING CITY ZHEJIANG CHINA 325600
Tel: 0086-577-62667968
Phone: 0086-13868723687
E-mail:Sales@dist-transformer.com
Scan the code to browse the official website of the mobile phone